型號查詢
品牌
類型
全部類型
型號
內徑
外徑
厚度

型號查詢 X

您的位置:首頁  >  產品中心  >  軸承產品  >  ZWZ瓦房店軸承 591/750 推力球軸承

ZWZ瓦房店軸承 591/750 推力球軸承

品牌:ZWZ瓦房店軸承

類型:推力球軸承

新型號:591/750

舊型號:

內徑:750 mm

外徑:900 mm

厚度:90 mm

在線詢價 技術咨詢

產品尺寸與參數

軸承代號
軸承代號
591/750
極限轉速 r/min
脂潤滑
300
油潤滑
400
重量 kg
重量 Kg
108
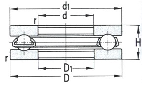
基本尺寸 mm
d
750
D
900
H
90
rmin
4
基本額定載荷 KN
Cr
815
Cor
5875
其他尺寸 mm
d1
895
D1
755
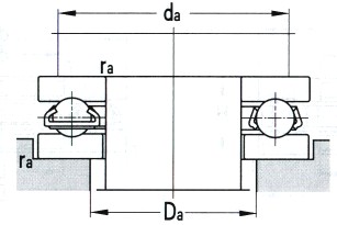
安裝相關尺寸 mm
da(min)
836
Da(max)
814
ra(max)
3
首頁
型號查詢
產品分類
聯(lián)系我們
客服
工作時間:

周一至周五: 9:00-17:50

周六至周日: 休息

在線客服:

客服:  525039348

聯(lián)系方式:

聯(lián)系電話: 0571-85807285

聯(lián)系手機: 18957175968

微信

微信咨詢

掃碼

歐盼微信公眾號

歐盼微信小程序

歐盼手機APP

頂部